Profilreihe 30

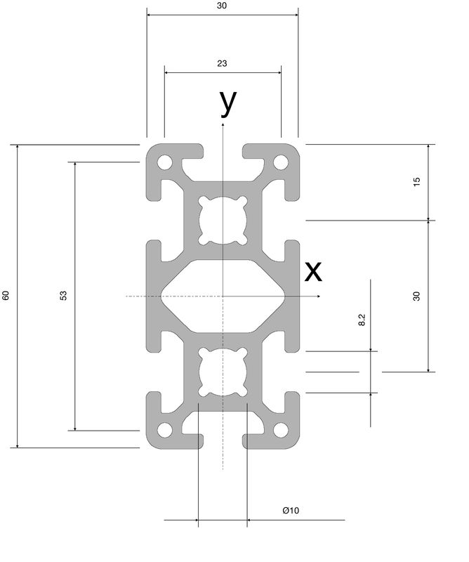
Aluprofil 30x60 mm, Kernloch Ø 10 mm

05.01927.00
Kernloch Ø 10 mm
Werkstoff Aluprofil
Farbe eloxiert
Gewicht 1,81 kg/m
Verpackung Lieferlängen 6 m, 36 m, 72 m, 108 m
Nut Nut 8K
Profilreihe Profil 30
Iy 6.3300 cm^4
Ix 22.5500 cm^4
Wy 4.2200 cm³
Wx 7.5200 cm³

Downloads

30x60 -10K.dxf
30x60 -10K.sat
30x60 -10K.stp