Türen und Türelemente

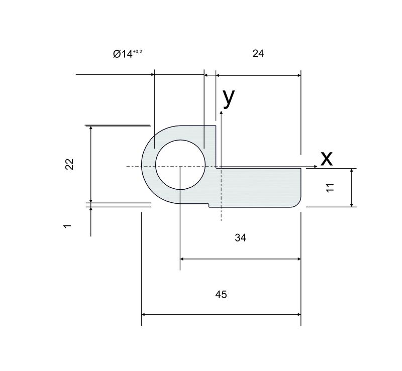
Scharnierprofil 45x22 mm, ohne Nut

05.01948.00

> Scharnier für frei tragende Flächenelemente

> ohne Spalt zum Anschlussprofil



Scharnierprofil
Werkstoff Aluminium, eloxiert
Farbe silber
Gewicht 1,40 kg/m
Verpackung Lieferlängen 6 m, 48 m, 96 m, 144 m
Iy 8.1000 cm^4
Ix 2.5000 cm^4
Wy 3.6000 cm³
Wx 2.2700 cm³

Downloads

05-01948-00.stp